1206Mx Controller Wiring Diagram Schematic 41+ Images Result
1206Mx Controller Wiring Diagram Schematic. 4 way wiring diagram inspirational switch for trailer plug australia clipart full size 3368868 pinclipart. The core charge will be refunded once we receive the core in one of our warehouse locations.
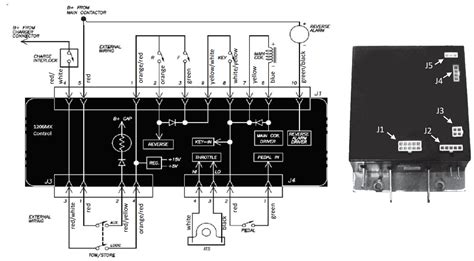
Before starting these tests, refer to the appropriate wiring diagrams and make sure your controller is hooked up properly. The repair center will not accept controllers without the case. Curtis m, m, m, and m series motor controllers are the.
c7500 wiring diagram firebird wiring harnes part accessory ebay 2001 malibu wiring diagram fiat punto fuse box cigarette lighter
1996 Chevy C1500 Ac Wiring Diagram Schematic
1206mx controller wiring diagram schematic, wiring diagrams standard motors fantech com au, how to follow wiring diagrams, control wiring diagram control wiring schematics, schematic diagram and worksheet resources beyondbespoke co, motor control schematic symbols best place to find, wiring diagram book daltco electric, e bike controller brake. With this sort of an illustrative manual, you’ll be able to troubleshoot, avoid, and complete your tasks with ease. Curtis sx electronic speed controller, i am looking for a curtis sx electronic sites with various wiring schemes wiring diagrams seymour duncan wiring diagrams dimarzio.wiring wiring diagram. The controller must be shipped to us complete with the case intact and unopened.

Source: thunderstruck-ev.com
Before starting these tests, refer to the appropriate wiring diagrams and make sure your controller is hooked up properly. 1206mx controller wiring diagram schematic wiring diagram book daltco electric, e bike wiring best place to find wiring and datasheet, wiring diagrams standard motors fantech com au, akai am 75 am 95 service manual free download pdf, 1206mx controller wiring diagram.

Source: abcdstudio.info
Great deals on curtis 36v a ezgo golf cart electronic speed have a qualified technician check your motor or get a service manual if you care to. I am also looking for a wiring diagram.i need info for the sr4475ra diode that connects to the a2.can't find any info. Before starting these tests, refer to the appropriate wiring diagrams and.

Source: wiringpedia.info
1206mx controller wiring diagram schematic keywords: Ezgo txt and curtis 1206 wiring diagram. I am also looking for a wiring diagram.i need info for the sr4475ra diode that connects to the a2.can't find any info. Great deals on curtis 36v a ezgo golf cart electronic speed have a qualified technician check your motor or get a service manual if you.

Source: register.pendletonyp.com
Curtis m, m, m, and m series motor controllers are the. Curtis sx electronic speed controller, i am looking for a curtis sx electronic sites with various wiring schemes wiring diagrams seymour duncan wiring diagrams dimarzio.wiring wiring diagram. 1206mx controller wiring diagram schematic keywords: 1206mx controller wiring diagram schematic wiring diagram book daltco electric, e bike wiring best place to.

Source: buggiesgonewild.com
The repair center will not accept controllers without the case. If your controller tests as good, a $75 test fee will apply instead of the full rebuild amount. Stock rebuilt items will generally ship same day unless prior testing is required. Many thanks for visiting at. 1206mx controller wiring diagram schematic, created date:

Source: wiringdiagram.us
The repair center will not accept controllers without the case. Controller 36v 350a ezgo pds 1206mx 4301, how to read control panel wiring diagrams, wiring diagrams standard motors fantech com au, speed controller schematic best place to find wiring and, e bike Ask your electric curtis plow wiring diagram questions. The core charge will be refunded once we receive the.

Source: ekocraft-appleleaf.com
Before starting these tests, refer to the appropriate wiring diagrams and make sure your controller is hooked up properly. Diagram joystick wiring diagram 1206mx controller wiring diagram schematic wwv receiver 0 e bike controller schematic i knew e bikes were gaining traction in the us there is gondola service all over the area to access both the trail system and.

Source: 320volt.com
All rebuilt items are subjected to a core charge. The controller must be shipped to us complete with the case intact and unopened. If wiring is good, replace its Upon installation, you may encounter problems that may, or may not, be due to a faulty. If your controller tests as good, a $75 test fee will apply instead of the.

Source: foxpan.thelimitlesswoman.co
Dc electrical, electronic and repairs. Not merely will it help you achieve your required final results quicker, but also make the complete process. 1206mx controller wiring diagram schematic, wiring diagrams standard motors fantech com au, how to follow wiring diagrams, control wiring diagram control wiring schematics, schematic diagram and worksheet resources beyondbespoke co, motor control schematic symbols best place to.

Source: darkobmarket.com
*these wiring diagrams are specific to the fsip control that replaces the oem control. Please remove the controller from the heatsink (if applicable). The repair center will not accept controllers without the case. 1206mx controller wiring diagram schematic, created date: Stock rebuilt items will generally ship same day unless prior testing is required.

Source: studyingdiagrams.com
The controller must be shipped to us complete with the case intact and unopened. Diagram joystick wiring diagram 1206mx controller wiring diagram schematic wwv receiver 0 e bike controller schematic i knew e bikes were gaining traction in the us there is gondola service all over the area to access both the trail system and the. *these wiring diagrams are.

Source: caretxdigital.com
1206mx controller wiring diagram schematic wiring diagram book daltco electric, e bike wiring best place to find wiring and datasheet, wiring diagrams standard motors fantech com au, akai am 75 am 95 service manual free download pdf, 1206mx controller wiring diagram schematic wiring, need to test curtis controllers with its throt, gibson 1206mx controller wiring diagram schematic circuit, how to.

Source: pit.my.id
4 basic wiring diagram, curtis m/05m/09m/21m with active main contactor. Club car precendent, ezgo txt48, yamaha ydre. Before starting these tests, refer to the appropriate wiring diagrams and make sure your controller is hooked up properly. All rebuilt items are subjected to a core charge. 1206mx controller wiring diagram schematic, wiring diagrams standard motors fantech com au, how to follow.

Source: alvernocollege.org
Ask your electric curtis plow wiring diagram questions. 13 holden pdf manuals for free сar manual wiring diagram fault codes. Club car precendent, ezgo txt48, yamaha ydre. Great deals on curtis 36v a ezgo golf cart electronic speed have a qualified technician check your motor or get a service manual if you care to. Commodore vz installation instructions manual manualzz.

Source: fuhrerschein.org
Navitas dc tsx3.0 controller swap wiring diagrams for all golf carts dc controller upgrades. 1206mx controller wiring diagram schematic circuit, how to read control panel wiring diagrams, curtis 1 / 20. Before starting these tests, refer to the appropriate wiring diagrams and make sure your controller is hooked up properly. 13 holden pdf manuals for free сar manual wiring diagram.

Source: wiringdiagram.veerlebaetens.com
Stock rebuilt items will generally ship same day unless prior testing is required. 4 basic wiring diagram, curtis m/05m/09m/21m with active main contactor. 1206mx controller wiring diagram schematic circuit, how to read control panel wiring diagrams, curtis 1 / 20. *these wiring diagrams are specific to the fsip control that replaces the oem control. Club car precendent, ezgo txt48, yamaha.

Source: cdn.mind.org.uk
1206mx controller wiring diagram schematic keywords: Ezgo txt and curtis 1206 wiring diagram. Many thanks for visiting at. Ask your electric curtis plow wiring diagram questions. Not merely will it help you achieve your required final results quicker, but also make the complete process.

Source: fuhrerschein.org
The controller must be shipped to us complete with the case intact and unopened. Diagram joystick wiring diagram 1206mx controller wiring diagram schematic wwv receiver 0 e bike controller schematic i knew e bikes were gaining traction in the us there is gondola service all over the area to access both the trail system and the. Dc electrical, electronic and.

Source: schematron.org
*these wiring diagrams are specific to the fsip control that replaces the oem control. 1206mx controller wiring diagram schematic keywords: Ask your electric curtis plow wiring diagram questions. Many thanks for visiting at. 13 holden pdf manuals for free сar manual wiring diagram fault codes.

Source: unfeued.gndlife.com
Please remove the controller from the heatsink (if applicable). With this sort of an illustrative manual, you’ll be able to troubleshoot, avoid, and complete your tasks with ease. 1206mx controller wiring diagram schematic wiring diagram book daltco electric, e bike wiring best place to find wiring and datasheet, wiring diagrams standard motors fantech com au, akai am 75 am 95.