1996 F 350 Fuse Box 26+ Images Result
1996 F 350 Fuse Box. 28 rows fuse box (fuses and their location) courtresy/dome/cargo lamps,. Posted on sep 13, 2010
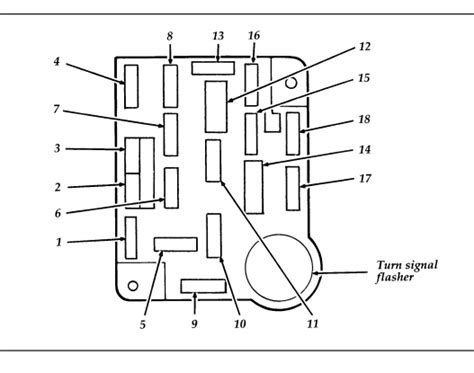
Look for the fuse box if a brake light fails, a head light will not turn on, or when you discover an electronics malfunction. 2001 ford f350 fuse diagram. Diagram.what the fuses are.7.3 powerstroke.diesel in 1997 f350 fuse box diagram by admin from the thousands of pictures on the net in relation to 1997 f350 fuse box diagram, picks the best selections using greatest quality simply for you all, and now this photographs is actually one among photos selections in your very best images gallery with.
2000 chevy corvette fuse box diagram free download volkswagen o2 sensor wiring diagram 2010 dodge 5500 fuse box diagram 2000 chevy fuse box diagram
Ford F 150 Xlt Fuse Box Diagram
Look for the fuse box if a brake light fails, a head light will not turn on, or when you discover an electronics malfunction. Passenger compartment fuse panel diagram. The position of the fuse box in a 1996 ford econoline allows for quick and easy fuse maintenance. We use cookies to give you the best possible experience on our website.

Source: milehighparts.com
2001 ford f350 fuse diagram. Trailer electronic brake control unit. Fuse box diagram (fuse layout), location and assignment of fuses and relays ford f250, f250 heavy duty & f350 (1992, 1993, 1994, 1995, 1996, 1997). 2001 ford f350, there are two fuse boxes, one ine cab under the dash and another one in the engine compartment, on driverside near firewall,.
Source: fusewiring.blogspot.com
2001 ford f350 fuse diagram. Diagram.what the fuses are.7.3 powerstroke.diesel in 1997 f350 fuse box diagram by admin from the thousands of pictures on the net in relation to 1997 f350 fuse box diagram, picks the best selections using greatest quality simply for you all, and now this photographs is actually one among photos selections in your very best images.
Source: kiona-machit.blogspot.com
Engine compartment fuse box (gasoline) diagram. Fuses help protect electronic circuits from damaging loads; Replace a compromised fuse as soon. 20 rows instrument panel fuse box (1996 ford f150, f250, f350) february 08,. 2001 ford f350 fuse diagram.

Source: raur.us
Fuel line heater, 200amp generator/voltage regulator, pcm power relay coil, glow plug controller. Instrument panel fuse panel diagram. 2001 ford f350 fuse diagram. 2001 ford f350, there are two fuse boxes, one ine cab under the dash and another one in the engine compartment, on driverside near firewall, heres the diagrams and fues locations for both hope this is helpful,.

Source: caraxfuse.com
Trailer electronic brake control unit. See fuses 4,8 and 16, also see cicuit breaker 12. 2001 ford f350, there are two fuse boxes, one ine cab under the dash and another one in the engine compartment, on driverside near firewall, heres the diagrams and fues locations for both hope this is helpful, also this is for gas motor not diesel..
Source: schematicandwiringdiagram.blogspot.com
Trailer electronic brake control unit. Fill out your contact information and your fuse box request will get distributed instantly to a nationwide network of auto recyclers, salvage yards, wrecking yards, junkyards and parts brokers across the country. Passenger compartment fuse panel diagram. Replace a compromised fuse as soon. The position of the fuse box in a 1996 ford econoline allows.
Source: hanenhuusholli.blogspot.com
Replace a compromised fuse as soon. See fuses 4,8 and 16, also see cicuit breaker 12. 2001 ford f350, there are two fuse boxes, one ine cab under the dash and another one in the engine compartment, on driverside near firewall, heres the diagrams and fues locations for both hope this is helpful, also this is for gas motor not.
Source: cars-trucks24.blogspot.com
Passenger compartment fuse panel diagram. 2001 ford f350, there are two fuse boxes, one ine cab under the dash and another one in the engine compartment, on driverside near firewall, heres the diagrams and fues locations for both hope this is helpful, also this is for gas motor not diesel. See more on our website: Posted on sep 13, 2010.
Source: kelvin-okl.blogspot.com
Posted on sep 13, 2010 See fuses 4,8 and 16, also see cicuit breaker 12. *estimated payments are for informational purposes only and may or may not account. Fill out your contact information and your fuse box request will get distributed instantly to a nationwide network of auto recyclers, salvage yards, wrecking yards, junkyards and parts brokers across the country..

Source: ford-trucks.com
Posted on sep 13, 2010 Replace a compromised fuse as soon. 2001 ford f350 fuse diagram. Passenger compartment fuse panel diagram. 20 rows instrument panel fuse box (1996 ford f150, f250, f350) february 08,.

Source: stylesgurus.com
Diagram.what the fuses are.7.3 powerstroke.diesel in 1997 f350 fuse box diagram by admin from the thousands of pictures on the net in relation to 1997 f350 fuse box diagram, picks the best selections using greatest quality simply for you all, and now this photographs is actually one among photos selections in your very best images gallery with. Fill out your.

Source: kelvin-okl.blogspot.com
20 rows instrument panel fuse box (1996 ford f150, f250, f350) february 08,. The position of the fuse box in a 1996 ford econoline allows for quick and easy fuse maintenance. We have actually accumulated several photos, with any luck this photo serves for you, and also. Fuses help protect electronic circuits from damaging loads; Replace a compromised fuse as.

Source: virtualgregd.blogspot.com
See fuses 4,8 and 16, also see cicuit breaker 12. Trailer electronic brake control unit. Read in this article you will find a description of fuses and relays ford, with photos of block diagrams and their locations. Engine compartment fuse box (gasoline) diagram. Shop millions of cars from over 22,500 dealers and find the perfect car.

Source: justanswer.com
*estimated payments are for informational purposes only and may or may not account. Look for the fuse box if a brake light fails, a head light will not turn on, or when you discover an electronics malfunction. 2001 ford f350 fuse diagram. 28 rows fuse box (fuses and their location) courtresy/dome/cargo lamps,. Read in this article you will find a.

Source: ni3-08.blogspot.com
Fuse box diagram (fuse layout), location and assignment of fuses and relays ford f250, f250 heavy duty & f350 (1992, 1993, 1994, 1995, 1996, 1997). Fill out your contact information and your fuse box request will get distributed instantly to a nationwide network of auto recyclers, salvage yards, wrecking yards, junkyards and parts brokers across the country. Read in this.

Source: wiringideas.blogspot.com
Diagram.what the fuses are.7.3 powerstroke.diesel in 1997 f350 fuse box diagram by admin from the thousands of pictures on the net in relation to 1997 f350 fuse box diagram, picks the best selections using greatest quality simply for you all, and now this photographs is actually one among photos selections in your very best images gallery with. 28 rows fuse.
Source: kovodym.blogspot.com
We use cookies to give you the best possible experience on our website. 28 rows fuse box (fuses and their location) courtresy/dome/cargo lamps,. Replace a compromised fuse as soon. 2001 ford f350 fuse diagram. See more on our website:
Source: kiona-machit.blogspot.com
See fuses 4,8 and 16, also see cicuit breaker 12. See more on our website: Fuel line heater, 200amp generator/voltage regulator, pcm power relay coil, glow plug controller. 2001 ford f350, there are two fuse boxes, one ine cab under the dash and another one in the engine compartment, on driverside near firewall, heres the diagrams and fues locations for.

Source: prsteyer.blogspot.com
*estimated payments are for informational purposes only and may or may not account. Passenger compartment fuse panel diagram. Read in this article you will find a description of fuses and relays ford, with photos of block diagrams and their locations. Instrument panel fuse panel diagram. Replace a compromised fuse as soon.
Source: wiring89.blogspot.com
Engine compartment fuse box (gasoline) diagram. 2001 ford f350 fuse diagram. Look for the fuse box if a brake light fails, a head light will not turn on, or when you discover an electronics malfunction. Fuel line heater, 200amp generator/voltage regulator, pcm power relay coil, glow plug controller. See more on our website: