Hemi Engine Piston Diagram 14++ Images Result
Hemi Engine Piston Diagram. We drag raced it for one season. This style of engine claims to provide a better flow of air inside the cylinder by creating more room for larger valves in turn providing more power.
Esf 6.1l v8 hemi etc 5.9l turbo diesel eth 5.9l turbo diesel, h.o. Here is a picture gallery about dodge ram 1500 engine diagram complete with the description of the image, please find the image you need. Back in the early ’90s, when chrysler realized that it would need a new truck motor to replace its 318/360 magnum engines to meet the coming emissions standards, the company considered two pushrod engines along with one sohc design and concluded that a pushrod motor with a pair of hemi heads that really breathed would make a great truck engine and.
2007 freightliner columbium wiring diagram fan trailer wiring diagram 7 way ford wiring diagram 1964 ford futura blizzard plow wiring diagram 1 500
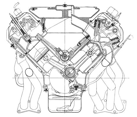
Hemi engine layout Hemi, Hemi engine, Blueprint drawing
Esf 6.1l v8 hemi etc 5.9l turbo diesel eth 5.9l turbo diesel, h.o. Ships from mopar parts webstore. Esf 6.1l v8 hemi etc 5.9l turbo diesel eth 5.9l turbo diesel, h.o. The chrysler hemi engines, known by the trademark hemi, are a series of american i6 and v8 gasoline engines built by chrysler with overhead valve hemispherical combustion chambers.three different types of hemi engines have been built by chrysler for automobiles:

Source: knowyourparts.com
Ships from myrtle beach sc 12 1/2 to 1, crower roller cam, two 1050 dominator carbs. I've always worked on chevy engines and now that i've built (2) 2004 ram 5.7 hemi engines, i find the valvetrain oil flow path interesting and a bit complicated. The piston pin diameter (.9842”) and compression distance are important. (a6765) air filter gasket for.

Source: factorychryslerparts.com
The piston pin diameter (.9842”) and compression distance are important. 5.7l hemi longevity should be north of 200,000 miles if well maintained. Back in the early ’90s, when chrysler realized that it would need a new truck motor to replace its 318/360 magnum engines to meet the coming emissions standards, the company considered two pushrod engines along with one sohc.

Source: pinterest.com
This was my first 426 hemi that i owned and built to run in a 1968 cuda. Billet rod for after market piston & stroker crank with honda gx200, 196cc clone or predator 212cc. Pistons intended for the right bank will feature an “r” suffix. Choose from hemi cold air intakes, hemi headers, hemi exhaust systems, hemi programmers, hemi throttle.

Source: autozone.com
If the piston’s pin size is too small, the rods can be bushed down. Esf 6.1l v8 hemi etc 5.9l turbo diesel eth 5.9l turbo diesel, h.o. Choose from hemi cold air intakes, hemi headers, hemi exhaust systems, hemi programmers, hemi throttle bodies, hemi throttle controllers & stainless 5.7l hemi, 6.1l srt8 & 6.4l 392 srt / scat pack engine.

Source: pinterest.com
The pistons so that the major thrust side skirt faces the major thrust load within the cylinder bore. Again, the chrysler 5.7 hemi is a pretty reliable engine. A larger chamfered oil hole at the top of the. Esf 6.1l v8 hemi etc 5.9l turbo diesel eth 5.9l turbo diesel, h.o. Ships from mopar parts webstore.

Source: pinterest.com
Back in the early ’90s, when chrysler realized that it would need a new truck motor to replace its 318/360 magnum engines to meet the coming emissions standards, the company considered two pushrod engines along with one sohc design and concluded that a pushrod motor with a pair of hemi heads that really breathed would make. The underside of this.

Source: detoxicrecenze.com
Here is a picture gallery about dodge ram 1500 engine diagram complete with the description of the image, please find the image you need. This was my first 426 hemi that i owned and built to run in a 1968 cuda. Problems can and will occur at some point in the engines life. Ships from mopar parts webstore. Ships from.

Source: isavetractors.com
Back in the early ’90s, when chrysler realized that it would need a new truck motor to replace its 318/360 magnum engines to meet the coming emissions standards, the company considered two pushrod engines along with one sohc design and concluded that a pushrod motor with a pair of hemi heads that really breathed would make. 12 1/2 to 1,.

Source: pinterest.com
This was my first 426 hemi that i owned and built to run in a 1968 cuda. 5.7l hemi, 6.1l srt8 & 6.4l 392 srt / scat pack engine performance parts for chrysler, dodge & jeep. The chrysler hemi engine had a displacement of 331 cubic inches (5.4 liters), so it is known as the 331 hemi. This style of.
Source: diagramportal.blogspot.com
The chamber on a hemi is hemispherical instead of being flat like traditional engines. Esf 6.1l v8 hemi etc 5.9l turbo diesel eth 5.9l turbo diesel, h.o. Typically, this is what is used in all my latest hemi engines. 5.7l hemi longevity should be north of 200,000 miles if well maintained. Ships from mopar parts webstore.

Source: wermopar.com
The chrysler hemi engine had a displacement of 331 cubic inches (5.4 liters), so it is known as the 331 hemi. A larger chamfered oil hole at the top of the. Back in the early ’90s, when chrysler realized that it would need a new truck motor to replace its 318/360 magnum engines to meet the coming emissions standards, the.

Source: pinterest.com
The piston pin diameter (.9842”) and compression distance are important. Just wondering if there are any suggestions on what oil to use? If the piston’s pin size is too small, the rods can be bushed down. We drag raced it for one season. This style of engine claims to provide a better flow of air inside the cylinder by creating.

Source: hotrod.com
This was my first 426 hemi that i owned and built to run in a 1968 cuda. We drag raced it for one season. 5.7l hemi, 6.1l srt8 & 6.4l 392 srt / scat pack engine performance parts for chrysler, dodge & jeep. I've always worked on chevy engines and now that i've built (2) 2004 ram 5.7 hemi engines,.

Source: holley.com
A hemi engine refers to the way the pistons, heads and block are designed. The chrysler hemi engine had a displacement of 331 cubic inches (5.4 liters), so it is known as the 331 hemi. Pistons intended for the right bank will feature an “r” suffix. (a6765) air filter gasket for honda gx160/ gx200, predator 212cc engines. Hemi specifications |.
Source: kelvin-okl.blogspot.com
Hemi specifications | top of page. Fits 300, challenger, charger, durango, grand cherokee. The underside of this piston features an “l” suffix, indicating that this piston is intended for the left bank of a v engine. For this stroke and rod choice, the piston’s compression distance (to achieve.000” deck clearance @ tdc) is 1.6515”, a very conservative and practical dimension..

Source: pinterest.com
Ships from myrtle beach sc The first (known as the chrysler firepower engine) from 1951 to 1958, the second from 1964 to. Power (hp) 300 @ 5200. (a6765) air filter gasket for honda gx160/ gx200, predator 212cc engines. Choose from hemi cold air intakes, hemi headers, hemi exhaust systems, hemi programmers, hemi throttle bodies, hemi throttle controllers & stainless

Source: pinterest.com
Again, the chrysler 5.7 hemi is a pretty reliable engine. Back in the early ’90s, when chrysler realized that it would need a new truck motor to replace its 318/360 magnum engines to meet the coming emissions standards, the company considered two pushrod engines along with one sohc design and concluded that a pushrod motor with a pair of hemi.

Source: moparpartsoverstock.com
A hemi engine refers to the way the pistons, heads and block are designed. Billet rod for after market piston & stroker crank with honda gx200, 196cc clone or predator 212cc. The chrysler hemi engines, known by the trademark hemi, are a series of american i6 and v8 gasoline engines built by chrysler with overhead valve hemispherical combustion chambers.three different.

Source: factorychryslerparts.com
A hemi engine refers to the way the pistons, heads and block are designed. (3.525 x.998 x.490) (1) your price: (a6765) air filter gasket for honda gx160/ gx200, predator 212cc engines. We drag raced it for one season. The chrysler hemi engines, known by the trademark hemi, are a series of american i6 and v8 gasoline engines built by chrysler.

Source: detoxicrecenze.com
5.7l hemi, 6.1l srt8 & 6.4l 392 srt / scat pack engine performance parts for chrysler, dodge & jeep. My owners manual that came with the car said use 91 octane in the r/t 5.7 hemi. The pistons so that the major thrust side skirt faces the major thrust load within the cylinder bore. Typically, this is what is used.