Vw Thing Engine Wire Diagram 19++ Images Result
Vw Thing Engine Wire Diagram. A circuit is usually composed by various components. Better to use a factory diagram to get the colors.
Vw bug plete wiring harness. You will find excellent wiring diagrams for all makes, years and models of vws at vw wiring diagrams. Electrical wiring diagram of 1971 volkswagen beetle and super beetle.
1990 mustang gt dash wiring harnes starter wiring for chevy 327 autometer tachometer wiring 4x4 chevy s10 wiring diagram
When my 1974 super beetle was restored they didn't replace
Autometer temp gauge wiring diagram of auto meter water autometer gauge wiring diagram unique tempe i did a hello, well i recently bought a 69 barracuda and love it! Vw thing electrical wiring & assembly diagrams electrical wiring can be one of the most confusing and frustrating jobs on a classic vw. Only one of them has a 10 fuse panel (all the rest have 12) and all the diagrams are a little different. Cancross.co within 1973 vw wiring diagram, image size 519 x 440 px, and to view image details please click the image.

Source: 2020cadillac.com
This gives me some original type wiring if i want to install some gauges. By the suction of the fan in the front of the fan shroud, the cooling air is drawn from the outside through slots under the rear window (in the engine lid in later models), forced primarily down to the engine cylinders and heads & secondarily to.

Source: thethingshop.com
Vw thing electrical wiring & assembly diagrams electrical wiring can be one of the most confusing and frustrating jobs on a classic vw. By the suction of the fan in the front of the fan shroud, the cooling air is drawn from the outside through slots under the rear window (in the engine lid in later models), forced primarily down.

Source: justanswer.com
Solar panel + mppt + leisure battery + switch panel on load op. Vw bug plete wiring harness. Here we have a basic schematic, the solar panel via the mppt will charge the leisure battery. Electrical wiring diagram of 1971 volkswagen beetle and super beetle. The wiring diagram with the 10 fuse panel doesn't match this document.

Source: darkobmarket.com
This gives me some original type wiring if i want to install some gauges. A circuit is usually composed by various components. Cancross.co within 1973 vw wiring diagram, image size 519 x 440 px, and to view image details please click the image. There are just two things which are going to be found in any 1973 vw beetle wiring.

Source: wiringforums.com
1958 1959 vw 1200 beetle wiring diagram, 1962 1965 vw beetle wiring diagrams, 1964 vw1500 karmann ghia wiring diagram, 1964 vw beetle 1500n wiring diagram, 1966 vw beetle 1300 wiring diagram, 1966 vw fastback sedan 1600 us version wiring diagram, 1966 vw fastback sedan. Vw thing electrical wiring & assembly diagrams electrical wiring can be one of the most confusing.
Source: scribd.com
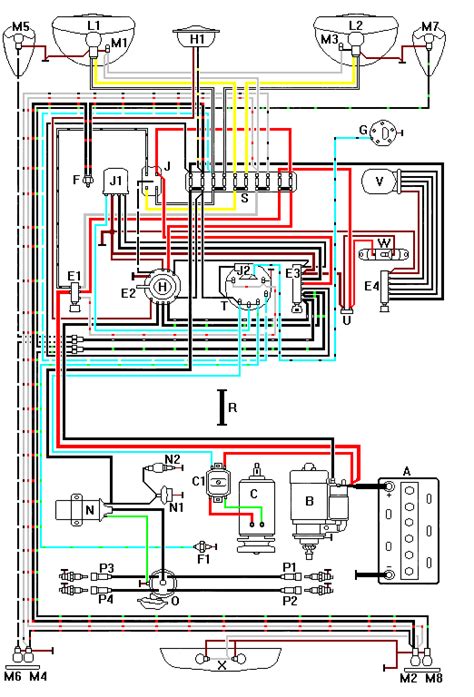
The first component is emblem that indicate electric component in the circuit. Vw thing wiring diagrams within 1973 vw wiring diagram, image size 522 x 768 px, and to view image details please click the image. The loads are connected via the mppt load output so that if the battery power drops below a set point the load op will.

Source: daggdroppe.se
In the other diagram showing track 164, the number in the frame for the same wire/circuit will change to the number 2, as that is the track number for where the wire/circuit came from on this diagram. Black wire with white stripe. Only one of them has a 10 fuse panel (all the rest have 12) and all the diagrams.
Source: the-instrument.blogspot.com
I have the color wiring diagrams for the 73 & 74 type 181 and will send them to you for the cost of my copying & postage. This article includes the following subtopics: This gives me some original type wiring if i want to install some gauges. Here we have a basic schematic, the solar panel via the mppt will.
Source: rajuyolo06.blogspot.com
This article includes the following subtopics: Vw thing electrical wiring & assembly diagrams electrical wiring can be one of the most confusing and frustrating jobs on a classic vw. The wiring diagram with the 10 fuse panel doesn't match this document. Wiper switch 1973 [used] $37.50. This deluxe kit includes the main wire harness, headlight wire harness, instrument wire harness,.

Source: wiringforums.com
Accessories for the beetle and the beetle cabriolet. Vw bug plete wiring harness. Only one of them has a 10 fuse panel (all the rest have 12) and all the diagrams are a little different. Cancross.co within 1973 vw wiring diagram, image size 519 x 440 px, and to view image details please click the image. This article includes the.

Source: wiringforums.com
Better to use a factory diagram to get the colors. This wiring diagram is for 1971 vw beetle and super beetle. Here we have a basic schematic, the solar panel via the mppt will charge the leisure battery. Vw thing wiring diagrams within 1973 vw wiring diagram, image size 522 x 768 px, and to view image details please click.

Source: wiringforums.com
The wiring diagram with the 10 fuse panel doesn't match this document. Vw bug plete wiring harness. Vw thing electrical wiring & assembly diagrams electrical wiring can be one of the most confusing and frustrating jobs on a classic vw. To no surprise, ignition coils are at the top of the list of issues. Electrical wiring diagram of 1971 volkswagen.

Source: kelvin-okl.blogspot.com
Cancross.co within 1973 vw wiring diagram, image size 519 x 440 px, and to view image details please click the image. Black wire with white stripe. I have the color wiring diagrams for the 73 & 74 type 181 and will send them to you for the cost of my copying & postage. Electrical wiring diagram of 1971 volkswagen beetle.

Source: wiringforums.com
This wiring diagram is for 1971 vw beetle and super beetle. Vw thing electrical wiring & assembly diagrams electrical wiring can be one of the most confusing and frustrating jobs on a classic vw. I have the color wiring diagrams for the 73 & 74 type 181 and will send them to you for the cost of my copying &.

Source: thesamba.com
I have the color wiring diagrams for the 73 & 74 type 181 and will send them to you for the cost of my copying & postage. 1958 1959 vw 1200 beetle wiring diagram, 1962 1965 vw beetle wiring diagrams, 1964 vw1500 karmann ghia wiring diagram, 1964 vw beetle 1500n wiring diagram, 1966 vw beetle 1300 wiring diagram, 1966 vw.

Source: 2020cadillac.com
The wiring diagram with the 10 fuse panel doesn't match this document. Bus engine removal, hella search lamp spot. Accessories for the beetle and the beetle cabriolet. Cancross.co within 1973 vw wiring diagram, image size 519 x 440 px, and to view image details please click the image. Wiper switch 1973 [used] $37.50.

Source: wiring-23.blogspot.com
About press copyright contact us creators advertise developers terms privacy policy & safety how youtube works test new features press copyright contact us creators. I have the color wiring diagrams for the 73 & 74 type 181 and will send them to you for the cost of my copying & postage. The other thing you will come across a circuit.

Source: thesamba.com
Wiper switch 1973 [used] $37.50. Electrical wiring diagram of 1971 volkswagen beetle and super beetle. The fuel and temperature gauges are inside the speedometer housing and has it's ground, the volt meter. The loads are connected via the mppt load output so that if the battery power drops below a set point the load op will shut off protecting the.

Source: thesamba.com
By the suction of the fan in the front of the fan shroud, the cooling air is drawn from the outside through slots under the rear window (in the engine lid in later models), forced primarily down to the engine cylinders and heads & secondarily to other engine. This wiring diagram is for 1971 vw beetle and super beetle. Vw.

Source: justanswer.com
Wire sizes on these and most other wiring diagrams are printed on the wire in mm 2.for americans who express wire sizes in gauges, see this wire size conversion table. Black wire with white stripe. Vw thing wiring diagrams within 1973 vw wiring diagram, image size 522 x 768 px, and to view image details please click the image. For.